











一、換熱機組概述
我公司換熱機組是集成了換熱器,循環泵,補水泵,溫度計,壓力表,各種傳感器,管路和閥門及工控于一體的成套區域供熱設備,并加裝了補水系統,定壓系統,水處理系統,變頻流量控制系統,熱量計及網絡控制通訊系統。是把大量用戶現場的水泵,閥門,儀表的選擇以及管道法蘭焊接的工作以及電氣控制的現場安裝調試工作,用我公司來完成,我公司生產的各規格機組,容量從 0.2MW 到 15MW ,采用標準模塊代設計,自由組合,以滿足用戶不同工況的要求,為用戶提供更合理更適用的機組,在滿足用戶使用的要求前提下,盡可能為用戶節省設備的投資。
二、機組型號說明

三、產品應用領域
城鎮集中供暖的住宅采暖供熱系統,賓館、寫字樓、辦公樓的采暖供熱系統,工廠廠房的采暖供熱系統,別墅區、住宅區的采暖供熱系統。。。。
四、機組特點
1.空間利用率高:人文化的設計,即便于維修又節省占地面積。
2.用戶安裝更方便:用戶只需做好一次網二次網供回和補水共五個法蘭接口,再把主電源接入機組電控柜。機組即可正常運行。
3.模塊化設計更能適應用戶的特殊工況:一次網和二次網質調節和量調節的結合,以及工控分段式設計滿足用戶要求。
4.各種高性能配件的有機結合:機組精心選配的機組配件,使機組具有優越感的產品性能價格比,做到免維護,達到較長的使用壽命。
五、控制模式
控制模式可分為五種,以滿足不同用戶的要求。
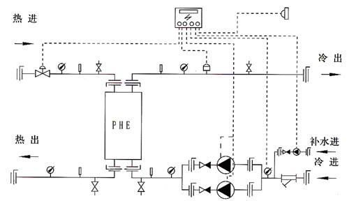
1.手動控制
手動控制換熱機組,通過現場直讀儀表手動控制換熱機組二次網供水溫度。通過遠傳壓力表、控制器自動定壓補水。

2.自動式溫控閥控制
自力式溫控閥控制換熱機組,具有手動控制化熱機組功能外,通過現場自力式溫控閥控制換熱機組二次網供水溫度。通過遠傳壓力表、控制器自動定壓補水。

3.單回路溫度控制
單回路溫度控制自動化熱機組,具有手控制機組功能外,一次網配有電動調節閥,進行一次網的流量調節器來控制二次網的溫度,具有室外溫度補償功能,循環泵設置為手動啟停且與電動調節閥有電器聯鎖功能,不水泵控制可由壓力開關信號來實現自動補水。

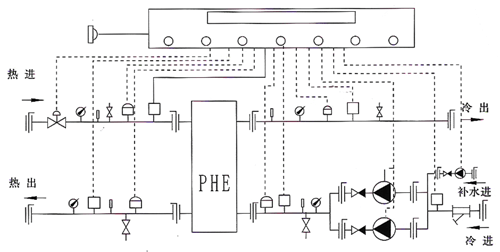
4.全自動無人值守現場控制
全自動無人值守現場控制換熱機組,具有手動控制換熱機組功能外,一次網配有電動調節閥,控制二次網的供水溫度,具有室外溫度補償功能,循環泵采用變頻控制,利用二次網供回水壓差作為反饋信號,二次網進行變量控制,不水泵采用變頻補水,根據二次網回水壓差作為反饋信號。所有水泵,電動調節閥,二次網供水溫度等均由控制器來完成全自動控制,并且控制器能夠控制程序來自動完成機組的啟停及復電后重新啟動,一個水箱水位傳感器接入控制器自動控制水箱水位。而且具有缺水保護不水泵功能;二次網回水管線加裝卸壓裝置,正常情況下,該機組處于無人值守自動運行狀態,只需工作人員定期進行巡查。

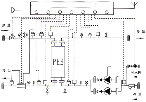
5.全自動無人值守遠程通訊控制
全自動無人值守遠程通訊控制換熱機組,具有手動控制換熱機組功能外,控制器具有遠程通訊功能,能夠把一、二次網供回水的溫度、壓力、流量及水泵狀態、電動調節閥狀態、水箱水位信號、變頻器的狀態等有關數據傳送給控制中心,并能夠接受來自控制中心的控制指令進行遠程控制。通訊方式可以是有線也可以是無線方式。吧、開放的通訊協議。這樣用戶的供熱管網聯網運行從根本上結局了一次網水利失衡的問題。只需工作人員定期進行巡查。

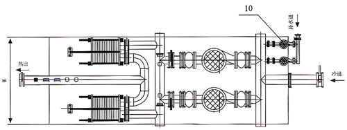
六、機組外形尺寸


1.Y型過濾器 2.電動調節閥 3.壓力表 4.溫度表 5.蝶閥 6.除污器 7.循環泵
8.底座 9.板式換熱器 10.補水泵(如蒸汽供暖的機組,根據用戶要求可加裝蔬水器等)
七、機組參數表(此表中的重量和尺寸僅供參考)
采暖工況:供暖半徑按1.5公里,循環泵揚程按20-30米,補水泵揚程按45米。
水/水機組 一次網130/80 ℃ 二次網95/70 ℃

八、機組的安裝與調試
1.機組設備間設計時應留有足夠的檢修空間,各方向不少于兩米。
2.在進行機組的安裝前,先關斷所有閥門。機組再出廠前均進行了水壓試驗和機組冷運行測試,用戶只需要做好一次網二次網供回水和補水共五個法蘭接口,再把主電源接入機組電控柜。機組即可正常運行。對于全自動機組,用戶還需安裝一個世外溫度傳感器。
3.系統安裝完畢,啟動不水泵充水后,排凈空氣。打開二次網閥門并啟動循環泵,運行 5 分鐘系統穩定后,緩慢打開一次網閥門。
4.手動機組調一次網供水閥門,調整二次網供水溫度至要求值。自動機組可調溫運行。
不銹鋼管路換熱機組

汽水換熱機組

